www.cavefischer.at/Sharp Pocket Computer
5:WAIT 40
10:POKE &4200,16,&41,&FF,204,82,55
20:CALL &4200
30:X=PEEK &41FF
40:PRINT X
50:GOTO 20
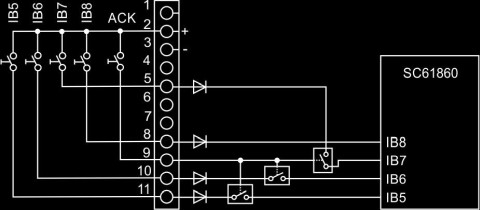
| Pin 8 (IB8) |
Pin 9 (IB7) |
X |
| L | L | 0 |
| L | H | 64 |
| H | L | 128 |
| H | H | 192 |
| &41FF:X | Fensteradresse zur Datenübergabe | |||
| &4200:16,&41,&FF | LIDP | &41FF | &41FF → DP | |
| &4203:204 | INB | [&5D] → A | ([&5D]=Port IB) | |
| &4204:82 | STD | A → [DP] | ||
| &4205:55 | RTN | |||
5:"A"
10:POKE &F000,16,&EF,&FF,204,82,55
20:CALL &F000
30:X=PEEK &EFFF
40:PRINT X
50:GOTO 20
| Pin 9 ACK |
Pin 8 (IB8) |
Pin 5 (IB7) |
Pin 10 (IB6) |
Pin 11 (IB5) |
X |
| L/H | L | L | L | L | 0 |
| H | L | L | L | H | 16 |
| H | L | L | H | L | 32 |
| H | L | L | H | H | 48 |
| H | L | H | L | L | 64 |
| H | L | H | L | H | 80 |
| H | L | H | H | L | 96 |
| H | L | H | H | H | 112 |
| H/L | H | L | L | L | 128 |
| H | H | L | L | H | 144 |
| H | H | L | H | L | 160 |
| H | H | L | H | H | 176 |
| H | H | H | L | L | 192 |
| H | H | H | L | H | 208 |
| H | H | H | H | L | 224 |
| H | H | H | H | H | 240 |
| L | H | L/H | L/H | L/H | 128 |
| &EFFF:X | Fensteradresse zur Datenübergabe | |||
| &F000:16,&EF,&FF | LIDP | &EFFF | &EFFF → DP | |
| &F003:204 | INB | [&5D] → A | ([&5D]=Port IB) | |
| &F004:82 | STD | A → [DP] | ||
| &F005:55 | RTN | |||